В этой статье мы подробно рассмотрим элементы и принципы работы системы, обеспечивающей устойчивость и комфорт во время движения легкого внедорожника. Разнообразие компонентов и их взаимодействие играют ключевую роль в характеристиках плавности хода и управляемости автомобиля, особенно в условиях бездорожья.
Особое внимание уделяется инновационным решениям, применяемым в конструкции, которые заметно улучшают динамические параметры и долговечность всего механизма. Каждый элемент имеет свое предназначение и влияет на общий результат, позволяя закрепить репутацию модели как надежного спутника в любых условиях.
При анализе устройства данной системы можно выделить как прочные, так и легкие материалы, которые способствуют оптимальному распределению нагрузки и повышают эксплуатационные характеристики. Данная информация будет полезна как для владельцев, так и для тех, кто планирует покупку этого компактного внедорожника.
Обзор системы передвижения
Элементы конструкции, отвечающие за амортизацию и управление, находятся в центре внимания каждого автолюбителя. Они обеспечивают стабильность и комфорт во время движения, адаптируясь к различным условиям. В данной модели применены проверенные временем решения, которые позволяют эффективно справляться с как обычными, так и сложными маршрутами.
Инженеры внедрили комбинацию пружин и амортизаторов, что обеспечивает оптимальное взаимодействие с дорожным покрытием. Это делает транспортное средство более предсказуемым и безопасным в управлении. Несмотря на компактные размеры, система демонстрирует выдающиеся характеристики, благодаря чему обеспечивает заметное улучшение рулевого управления.
Ключевыми элементами системы являются рычаги и опоры, которые способствуют надежности и прочности конструкции. Их продуманное расположение позволяет снизить износ деталей и увеличивает общий срок службы. Модуль сочетает в себе простоту обслуживания и высокую степень адаптивности, что выгодно отличает его от аналогов.
Особое внимание стоит уделить возможностям настройки, позволяющим водителю адаптировать характеристики под личные предпочтения и стили вождения. Это дает возможность получить максимально комфортные условия, независимо от того, активен ли дорожный трафик или требуется преодолевать сложные участки.
Конструкция и элементы системы
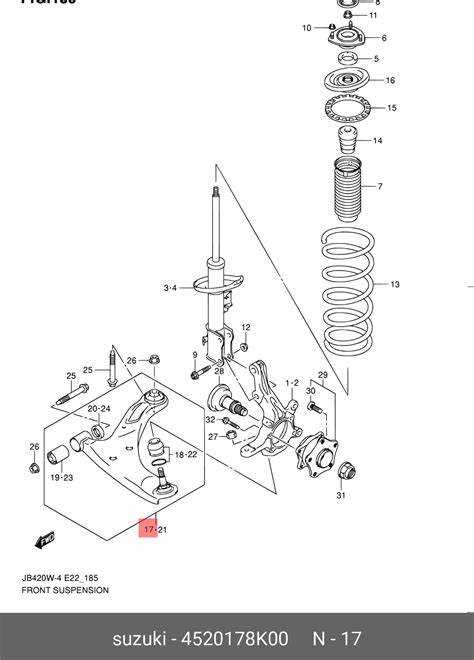
Устройство подвески легкового автомобиля играет ключевую роль в обеспечении устойчивости, управляемости и комфорта при движении. Она включает в себя комплекс компонентов, каждый из которых выполняет свою уникальную функцию, обеспечивая взаимодействие колес с дорожной поверхностью и адаптацию к различным условиям. Рассмотрим основные элементы, которые составляют данную систему и их назначение.
Амортизаторы – важные детали, которые отвечают за демпфирование колебаний, возникающих при движении. Они гасят вибрации, обеспечивая плавность хода, и помогают сохранить контакт колес с дорогой. Это, в свою очередь, положительно сказывается на управляемости автомобиля.
Пружины выполняют роль упругого элемента, поддерживающего кузов на нужном уровне. Они значительно влияют на жесткость и высоту транспортного средства, а также на его способность к поглощению неровностей дороги. За счет сопротивления, которое они оказывают, пружины помогают сбалансировать динамические нагрузки.
Рычаги соединяют колеса с кузовом, обеспечивая необходимую геометрию подвески и передавая нагрузки от колес на каркас автомобиля. Их конструкция может варьироваться в зависимости от типа системы, но основная задача остается неизменной – поддержание стабильности и ровности хода.
Стабилизаторы играют значимую роль в уменьшении кренов во время маневрирования. Они обеспечивают большую курсовую устойчивость и помогают сохранить равновесие при поворотах, что значительно повышает безопасность и комфорт. Использование стабилизаторов указывает на направленность на высокие эксплуатационные характеристики.
Короче говоря, элементы системы представляют собой гармонично сбалансированное сочетание, которое позволяет автомобилю эффективно реагировать на изменения дорожных условий. Каждый компонент взаимодействует с другими, создавая общую функциональность, необходимую для безопасного и комфортного передвижения. Понимание данной системы помогает не только в выборе автомобиля, но и в его обслуживании и модернизации.
Преимущества ходовой части автомобиля
Современные внедорожники требуют оптимального сочетания прочности и маневренности, что делает выбор качественной системы амортизации ключевым моментом в их конструкции. Успешное сочетание этих характеристик обеспечивает уверенное вождение как по городским улицам, так и по сложным участкам местности.
Одним из основных достоинств являются отличные показатели устойчивости на неровных дорогах. Конструкция системы активно гасит удары и вибрации, что позволяет сохранять комфорт и безопасность в любых условиях. Это особенно заметно при движении по грунтовым или каменистым трассам.
Эффективная управляемость – еще одно преимущество. Автомобиль отлично реагирует на повороты и изменения направления движения, что обеспечивает водителю высокий уровень контроля даже в сложных ситуациях. Наличие системы, обеспечивающей правильное распределение веса, способствует лучшему контакту колес с поверхностью.
Также стоит отметить долговечность компонентов, что обеспечивает надежность и низкие затраты на обслуживание. Внедренные технологии позволяют использовать качественные материалы, которые способны выдерживать высокие нагрузки и экстремальные условия эксплуатации.
В итоге, продуманная конструкция системы амортизации делает автомобиль не только приятным в управлении, но и надежным спутником в любом путешествии, независимо от его характера.
Технические характеристики системы
Эффективность механизма, отвечающего за управление колесами и обеспечивающего устойчивость транспортного средства на дороге, определяется рядом ключевых параметров. Каждый элемент конструкции направлен на достижение высокой производительности и надежности в самых различных условиях эксплуатации.
- Тип конструкции: За основу взяты независимые элементы, что обеспечивает отличную маневренность и комфорт во время движения.
- Амортизаторы: Используются газовые или масляные, что влияет на уровень вибрации и поглощение неровностей.
- Пружины: Высокопрочные материалы, обеспечивающие длительный срок службы и стабильное поведение на разных покрытиях.
- Угол наклона: Оптимальные параметры способствуют улучшению сцепления с дорогой и увеличению управляемости.
- Регулировка: Возможность настройки высоты и жесткости подвески для адаптации к различным условиям.
Комплексная работа перечисленных характеристик дает возможность добиваться высокой степени комфорта и безопасности. Это особенно важно при движении по сложным участкам, где каждое изменение в конструкции может существенно повлиять на результативность работы системы.
- Для обеспечения устойчивости предусмотрены специальные элементы, уменьшающие крен.
- Долговечность материалов гарантирует меньшее количество ремонтов в процессе эксплуатации.
- Наличие регулировок позволяет владельцам адаптировать механизмы под личные предпочтения.
Все эти аспекты формируют уникальную характеристику данного вида оборудования, позволяя оптимально справляться с различными дорожными условиями и повышая общую безопасность на маршруте.
Влияние конструкции подвески на управляемость
Эффективность и комфортность движения автомобиля во многом зависят от особенностей его ходовой части. Каждый элемент данной системы призван обеспечить не только надежность, но и стабильность при различных условиях эксплуатации. Правильная настройка конструкции играет ключевую роль в ощущении водителя и его уверенности на дороге.
Основные характеристики привода влияют на реакции транспортного средства на маневры. Отвечая за сцепление с дорожным покрытием, компоненты системы могут как улучшать управляемость, так и создавать сложности при навигации. Жесткость и эластичность пружин или амортизаторов определяют, насколько четким будет отклик на повороты и ускорение.
Следует отметить, что универсальность транспортного средства также зависит от настроек. Автомобили, спроектированные для работы в сложных условиях, могут демонстрировать уступчивость на неровных участках, при этом сохранять адекватное поведение на асфальте. Это достигается благодаря продуманной комбинации материалов и конструктивных решений, позволяющих поддерживать баланс между комфортом и контролем.
Наконец, важно учитывать, что влияние системы на управляемость также зависит от взаимодействия с другими частями автомобиля. Правильное сочетание параметров может значительно улучшить динамические качества, что, в свою очередь, ведет к повышению общей безопасности при вождении. Современные разработки в области автомобильной инженерии ориентированы на создание максимально эффективных и надежных решений для достижения этой цели.
Типы пружин и амортизаторов
Для обеспечения качественного поглощения неровностей дороги и стабильности транспортного средства важную роль играют элементы, отвечающие за эластичность и демпфирование. Разнообразие пружин и амортизаторов позволяет адаптировать ходовую часть под разные условия эксплуатации, обеспечивая баланс между комфортом и управляемостью.
Среди пружин выделяют листовые, параболические и спиральные. Листовые конструкции обеспечивают большую жесткость и долговечность, что делает их оптимальным выбором для внедорожников. Параболические пружины улучшают прогрессивность справляясь с добавленной нагрузкой. Спиральные пружины, наоборот, чаще применяются в легковых автомобилях, но также могут использоваться в некоторых внедорожниках для стимулирования плавности хода.
Амортизаторы бывает нескольких типов: газовые, масляные и регулируемые. Газовые компоненты обеспечивают больший уровень комфорта за счет уменьшения эффекта пробоя и лучшего контроля над движением. Масляные амортизаторы чаще используют на старых моделях, их стоимость ниже, однако они не всегда способны эффективно справляться с высокими нагрузками. Регулируемые амортизаторы позволяют водителю изменять жесткость в зависимости от условий, что делает их универсальным решением для различных стилей вождения и типов дорожных покрытий.
Таким образом, выбор между типами пружин и амортизаторов зависит от предпочтений владельца и особенностей эксплуатации автомобиля. Правильное сочетание этих элементов позволяет добиться оптимальной динамики и комфорта во время движения.
Устойчивость на различных покрытиях
Эффективность автомобиля во многом зависит от его способности справляться с различными дорожными условиями. При езде по смешанному или сложному ландшафту, надежность системы поддержания колёс и стабилизации кузова становится ключевым фактором. Правильно сконструированная система управления позволяет машине уверенно чувствовать себя на асфальте, гравии и даже в условиях легкого бездорожья.
На ровных и подготовленных поверхностях автомобиль демонстрирует стабильность и уверенное сцепление с дорогой, что позволяет уверенно проходить повороты и маневрировать в городских условиях. В то же время неравномерные участки, такие как грунтовые дороги или дороги с ямами, требуют от системы большей гибкости и адаптивности. Здесь играет роль мягкость амортизирующих элементов и их способность гасить вибрации, обеспечивая комфорт поездки.
Кроссоверы и внедорожники, использующие передовые технологии, способны корректировать настройки системы на лету в зависимости от типа покрытия. Это позволяет значительно повысить общую управляемость и создать ощущение контроля, даже когда колёса сталкиваются с непростыми условиями. Важно, чтобы элементы, отвечающие за устойчивость, обеспечивали не только безопасность, но и комфорт во время движения.
Выбор подходящих шин также влияет на результат. Шины с разнообразным рисунком протектора способны справляться с различными покрытиями, улучшают сцепление на грязи и в снегу, обеспечивая дополнительную устойчивость. Таким образом, система, взаимодействующая с дорожным покрытием, всегда должна быть нацелена на оптимизацию каждой поездки, вне зависимости от её сложности.
Замена деталей: советы
Прежде всего, важно иметь полное представление о состоянии заменяемых деталей. Регулярные проверки помогут определить износ и неисправности на ранней стадии. Рекомендуется вести запись об обслуживании и заменах, чтобы иметь возможность отследить историю и планировать дальнейшие действия.
Соблюдение последовательности в работе также играет значительную роль. Перед тем как приступать к демонтажу, убедитесь в наличии необходимых инструментов и комплектующих. Использование оригинальных запчастей или качественных аналогов значительно повысит надежность и долговечность установленных элементов.
При замене компонентов следует обращать внимание на момент затяжки крепежей и соответствие указанным производителем данным. Неправильная установка может привести к серьезным проблемам с управляемостью и??ностью.
Наконец, важно тестировать автомобиль после завершения работ. Проверьте все системы на предмет правильной работы и отсутствие посторонних шумов. Если возникнут сомнения в своих силах, стоит обратиться к профессионалам, чтобы избежать дополнительных затрат на последующий ремонт.
Распространенные проблемы и их решения
Автомобили могут сталкиваться с различными неисправностями, которые влияющего на их производительность и комфорт. Особенно это касается системы амортизации, которая играет ключевую роль в обеспечении стабильности и управляемости на дорогах. Рассмотрим наиболее распространенные проблемы, которые могут возникнуть, а также методы их устранения.
-
Износ амортизаторов:
Со временем амортизаторы теряют свои свойства. Это может привести к ухудшению управляемости и увеличенной вибрации кузова. Рекомендуется проводить регулярную проверку состояния амортизаторов и их замену каждые 50 000 – 100 000 км.
-
Проблемы с пружинами:
Пружины могут сломаться или начать терять свою упругость. Это влияет на уровень автомобиля и его стабилизацию. Важно проверять их целостность и при необходимости проводить замену.
-
Шумы при движении:
Наличие стуков или скрипов может указывать на проблемы с опорами и креплениями. Для устранения таких звуков следует проверить соединительные элементы и, при необходимости, произвести их замену.
-
Увеличенный тормозной путь:
Если автомобилю требуется больше дистанции для остановки, это может свидетельствовать о проблемах с амортизацией. Необходимо проверить работу тормозной системы и состояние амортизаторов.
Следуя рекомендациям по регулярному обслуживанию и обращая внимание на признаки неисправностей, можно значительно повысить эффективность работы системы и продлить срок службы автомобиля.
Тюнинг передней системы
Модификация элементов трансмиссии и ходовой части представляет собой важный аспект улучшения характеристик любого внедорожника. От того, насколько тщательно и продуманно будет произведён тюнинг, во многом зависит как динамика, так и комфорт в эксплуатации. Существуют различные подходы к улучшению, которые делают машину более устойчивой и проходимой в сложных условиях.
Установка лифтовых пружин и амортизаторов – один из наиболее распространенных методов увеличения клиренса, что значительно повышает проходимость. Такие изменения помогают избежать повреждений при преодолении серьёзных препятствий и делают акцент на улучшении углов въезда и съезда.
Кроме того, установка понижающего редуктора позволит расширить диапазон скоростей на сложных маршрутах, улучшая уровень контроля над автомобилем. Это особенно актуально в условиях бездорожья, где требуется большая точность в маневрировании.
Не стоит забывать и о защите элементов трансмиссии. Установка дополнительных защитных панелей может предотвратить повреждения моторного отдела и других уязвимых частей автомобиля. Это добавляет уверенности в том, что машина сможет преодолевать трудности без опасений за механические нарушения.
Также стоит рассмотреть модификацию системы стабилизации. Переход на более современные и эффективные системы позволит добиться лучшего удержания на дороге, что важно не только на легких участках, но и при сложных маневрах на сложных трассах.
В завершение, стоит отметить, что успешный тюнинг требует комплексного подхода с учётом целей и условий эксплуатации. Выбор правильных компонентов и их замена могут значительно изменить как поведение автомобиля, так и удовольствие от вождения в самых разнообразных условиях.
Сравнение с аналогичными моделями

- Управляемость: Многие внедорожники имеют схожие характеристики, однако конкретная модель выделяется благодаря высокой маневренности и отзывчивому рулевому управлению. Это создает дополнительные преимущества при передвижении по сложным маршрутам.
- Проходимость: Соревнуясь с моделями такого же класса, можно отметить, что рассматриваемый автомобиль часто демонстрирует выдающиеся результаты на сложных участках и в условиях бездорожья.
- Комфорт: В отличие от некоторых конкурирующих моделей, которая больше ориентирована на функциональность, эта модель предлагает удачный баланс между комфортом и простотой. Это может стать решающим фактором для потребителей, которые ищут универсальный автомобиль.
- Система амортизации: Анализируя аналогичные модели, стоит отметить улучшенные характеристики амортизационных систем у данного автомобиля. Это способствует более плавному ходу и лучше чувствуется при движении по неровным поверхностям.
- Расход топлива: Тем не менее, при сравнении с некоторыми конкурентами наблюдается немного выше потребление ресурса, однако это оправдано уровнем производительности и надежности.
Отзывы владельцев о системе амортизации
Множество владельцев автомобилей данной модели делятся своими впечатлениями о работе амортизирующей системы, отмечая как положительные, так и отрицательные аспекты. Многие владельцы подчеркивают, что конструкция обеспечивает устойчивость на различных маршрутах, однако среди отзывов встречаются и замечания о жесткости клиренса при некоторых условиях эксплуатации.
| Плюсы | Минусы |
|---|---|
| Отличная проходимость на бездорожье | Жесткость на неровных участках |
| Долговечность материалов | Шумы при работе на дорогах с низким качеством |
| Уверенное управление на трассе | Необходимость частой регулировки параметров |
| Сбалансированная работа при нагрузке | Краткий срок службы некоторых комплектующих |
Некоторые автовладельцы отмечают, что усовершенствование амортизаторов значительно влияет на общий комфорт и управляемость, что особенно важно при ежедневных поездках. В то же время экстренные ситуации на неровной местности могут вызывать дискомфорт. Конструкторы этой модели получили немало похвалы за сбалансированную работу системы, но важно учитывать индивидуальные предпочтения и стиль вождения. Отзывы пользователей становятся важной составляющей в обеспечении долговечности и эффективности данной серии автомобилей.