Владельцы автомобилей Nissan Almera G15 часто сталкиваются с необходимостью обслуживания или установки кондиционера. Эта система обеспечивает комфортную температуру в салоне, что особенно важно в жаркие дни. Правильное подключение кондиционера не только увеличивает эффективность его работы, но также предотвращает возможные поломки и экономит время и деньги на ремонте.
В данной статье мы подробно рассмотрим схему подключения кондиционера для Nissan Almera G15, выделяя ключевые моменты, на которые необходимо обратить внимание. Мы постараемся объяснить каждый этап, чтобы даже новичок смог разобраться в процессе установки и подключения системы. Использование правильных соединений и понимание принципов работы кондиционера сыграет решающую роль в успешном завершении работы.
Мы также затронем ряд часто встречающихся вопросов и проблем, связанных с кондиционерами этой модели. Понимание этих нюансов поможет вам не только правильно провести установку, но и быстро выявлять неисправности в будущем. Приступим к изучению схемы подключения, чтобы сделать ваш Nissan Almera G15 ещё более комфортным.
Общие принципы работы кондиционера

Кондиционер автомобиля работает по принципу охлаждения воздуха и поддержания комфортной температуры в салоне. Процесс осуществляется с использованием специального хладагента, который циркулирует в системе. Основные этапы работы кондиционера включают следующую последовательность:
- Испарение: Хладагент в жидком состоянии попадает в испаритель. Здесь он за счет поглощения тепла из воздуха испаряется, превращаясь в газ. Это приводит к снижению температуры воздуха в салоне.
- Сжатие: Газообразный хладагент поступает в компрессор, где его давление и температура увеличиваются. Этот процесс обеспечивает движение хладагента по системе.
- Конденсация: Далее горячий и под давлением газ попадает в конденсатор, где он остывает и конденсируется, превращаясь обратно в жидкость. При этом выделяется тепло, которое выбрасывается в атмосферу.
- Расширение: После конденсации жидкий хладагент проходит через расширительный клапан, где его давление резко снижается, и он снова становится холодным газом. Этот цикл продолжается, обеспечивая постоянное охлаждение.
Хорошо отлаженная система кондиционирования способствует не только снижению температуры, но и улучшению качества воздуха в салоне. Важно регулярно проверять уровень хладагента и техническое состояние кондиционера для обеспечения его эффективной работы.
Необходимое оборудование для установки

Для качественной установки кондиционера Nissan Almera G15 потребуется следующее оборудование:
| Оборудование | Описание |
|---|---|
| Компрессор | Основной элемент, отвечающий за циркуляцию хладагента и поддержание необходимого давления в системе. |
| Конденсатор | Компонент, который отводит тепло от хладагента, превращая его из газообразного состояния в жидкое. |
| Испаритель | Устройство, где хладагент испаряется, охлаждая воздух в салоне автомобиля. |
| Трубопроводы | Обеспечивают соединение всех элементов системы и транспортировку хладагента. |
| Датчики | Контролируют параметры работы кондиционера, такие как температура и давление хладагента. |
| Электрическая проводка | Необходима для подключения всех электрических компонентов системы, включая компрессор и вентиляторы. |
| Фильтры | Очищают воздух от пыли и загрязнений, обеспечивая более чистую подачу воздуха в салон. |
| Технические жидкости | Хладагент и масла, необходимые для нормальной работы системы кондиционирования. |
Правильный выбор и подготовка оборудования обеспечивают эффективность и долговечность системы кондиционирования Nissan Almera G15.
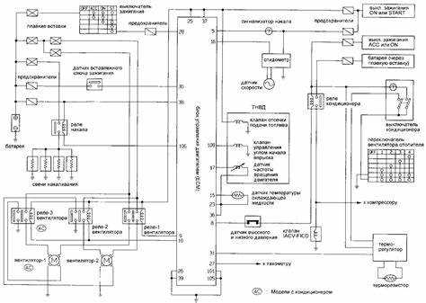
Порядок подключения электрической схемы
Для корректного подключения электрической схемы кондиционера Nissan Almera G15 важно следовать заранее установленной последовательности действий. Начните с отключения отрицательной клеммы аккумулятора для обеспечения безопасности работы.
Далее, ознакомьтесь с электрической схемой, которая включает детали подключения коды нажатия, компрессор, блок управления и дополнительные элементы. Каждый компонент должен быть подключен, исходя из обозначений на схеме.
Первым шагом следует подключить провода к компрессору. Обратите внимание на правильность подключения проводов: черный провод часто означает землю, а красный может указывать на питание. Применение терминалов позволит вам избежать случайных ошибок.
Следующий этап — подключение блока управления. Убедитесь, что все соединения надежны и хорошо изолированы. Необходимо проверить наличие соответствующих предохранителей в цепи для защиты от коротких замыканий.
После завершения всех подключений проверьте их с использованием мультиметра. Это позволит убедиться, что все компоненты функционируют корректно и в нужной последовательности. После проверки можно подключить аккумулятор и протестировать систему включением кондиционера.
Важно следить за тем, чтобы все провода были проложены должным образом и не касались горячих поверхностей, что может привести к перегреву и повреждению изоляции.
Подготовка к установке системы
Перед началом установки кондиционера в Nissan Almera G15 необходимо выполнить несколько важных шагов, чтобы обеспечить качественное и безопасное подключение. Прежде всего, следует проверить наличие всех необходимых компонентов и инструментов.
Важно ознакомиться с инструкцией по установке, чтобы понимать все этапы работы и иметь возможность избежать распространенных ошибок. Также рекомендуется подготовить рабочее место, обеспечив достаточное освещение и доступ к автомобилю.
Не забудьте отключить аккумулятор перед началом работ, чтобы избежать случайных замыканий и повреждений электрооборудования. Подготовьте следующие инструменты и материалы:
| Необходимые инструменты | Описание |
|---|---|
| Отвертка | Для снятия панели и подключения проводов. |
| Ключи рожковые | Для подключения шлангов и крепежа. |
| Мультиметр | Для проверки электрических соединений. |
| Силиконовый герметик | Для уплотнения соединений. |
Советуем также подготовить защитные перчатки и очки для обеспечения безопасности во время работы. После подготовки рабочего места и сбора инструментов выполните визуальный осмотр всех компонентов кондиционера. Убедитесь, что они не имеют повреждений и соответствуют стандартам качества.
Следуя этим рекомендациям, вы сможете избежать неприятных ситуаций и обеспечить успешную установку системы кондиционирования в своем автомобиле.
Технология заправки фреоном
Перед началом процесса необходимо подготовить все необходимые инструменты и оборудование, включая вакуумный насос, манометры и баллон с фреоном соответствующего типа. Важно убедиться, что система кондиционирования герметична и отсутствуют утечки, так как это может привести к снижению эффективности.
Первым шагом следует подключить манометры к сервисным портам системы. Это позволит контролировать давление хладагента в системе. Затем следует запустить вакуумный насос для удаления влаги и воздуха из системы, что необходимо для предотвращения загрязнения хладагента.
После достижения определенного уровня вакуума (обычно 20-30 дюймов ртутного столба) следует отключить насос и подождать несколько минут для проверки наличия утечек. Если манометр стабилен, можно приступать к заправке фреоном.
Заправка осуществляется медленно, обеспечивая полное заполнение системы. Важно следить за показателями манометра и не превышать допустимое давление, чтобы избежать повреждений кондиционера. После завершения заправки необходимо завершить работу системы, выполнив контрольный запуск кондиционера и проверив его эффективность.
Завершив все этапы, рекомендуется провести финальную проверку на наличие утечек с помощью специального детектора или мыльного раствора. Это гарантирует надежность работы системы и отсутствие утечек фреона в будущем.
Проверка работоспособности кондиционера
После завершения установки кондиционера Nissan Almera G15 крайне важно провести проверку его работоспособности. Эта процедура позволит убедиться в исправности системы и избежать потенциальных проблем в будущем.
- Подготовка к проверке:
- Убедитесь в наличии навыков и знаний для работы с холодильными системами.
- Подготовьте все необходимые инструменты: манометр, термометр и соответствующие принадлежности.
- Запуск системы:
- Запустите двигатель автомобиля и дайте ему поработать на холостом ходу около 5 минут.
- Включите кондиционер на максимальную мощность.
- Проверка охлаждения:
- Измерьте температуру воздуха на выходе из воздуховодов с помощью термометра.
- Сравните полученные показания с нормой (обычно около 5-10 градусов Цельсия ниже температуры окружающего воздуха).
- Диагностика системы:
- Проверьте давление фреона на манометре в соответствующих режимах работы компрессора.
- Убедитесь, что нет утечек фреона и других охлаждающих агентов.
- Послушайте работу кондиционера на наличие посторонних звуков.
- Функциональные проверки:
- Проверьте работу всех режимов: обогрев, охлаждение, рециркуляция.
- Убедитесь в правильной работе вентилятора и переключателей.
- Заключение:
- Если все проверки были выполнены успешно, кондиционер работает корректно.
- В случае выявления неисправностей, выполните диагностику и устранение проблем.
Устранение распространенных неполадок
При эксплуатации кондиционера Nissan Almera G15 могут возникать различные неполадки, имеющие свои особенности и решения. Один из распространенных проблем — недостаточная производительность устройства. В данном случае стоит проверить уровень фреона, так как его утечка может существенно уменьшить эффективность работы системы. Также следует обратить внимание на чистоту фильтров, которые могут забиваться пылью и грязью.
Еще одна распространенная проблема — шумы при работе кондиционера. Это может быть связано как с посторонними предметами, так и с износом компонентов, таких как двигатели вентиляторов. Стоит периодически осматривать эти узлы на предмет повреждений и загрязнений.
Также стоит упомянуть о ситуации, когда кондиционер не включается. В этом случае необходимо проверить предохранители и реле, отвечающие за работу системы. Если они исправны, можно проверить электрооборудование на наличие повреждений и коррозии проводки.
При возникновении проблемы с конденсатором, необходимо провести визуальный осмотр на наличие механических повреждений и преград для нормального потока воздуха. Своевременная очистка и замена изношенных деталей помогут предотвратить более серьезные неполадки.
Наконец, если после всех проверок кондиционер продолжает работать нестабильно, рекомендуется обратиться к специалистам для более детальной диагностики устройства и выявления скрытых неисправностей. Это поможет избежать серьезных поломок и затрат на последующий ремонт.
Советы по обслуживанию системы
Правильное обслуживание кондиционера Nissan Almera G15 поможет продлить его срок службы и повысить эффективность работы. Вот несколько рекомендаций:
- Регулярная проверка фильтров: Фильтры загрязняются со временем и требуют периодической замены или очистки. Рекомендуется проверять их каждые 1-2 месяца.
- Обслуживание испарителя и конденсатора: Убедитесь, что эти компоненты чистые. Накопление грязи может привести к потере эффективности. Очистка должна проводиться каждый год.
- Заправка фреоном: Проверяйте уровень фреона не реже одного раза в сезон. Неправильный уровень может негативно сказаться на работе системы.
- Проверка герметичности системы: Регулярно осматривайте все соединения и шланги на наличие утечек. Это позволит избежать низкой производительности и повредить компрессор.
- Следите за работой компрессора: Если вы заметили шумы или изменения в его работе, немедленно проведите диагностику.
- Очистка дренажной системы: Убедитесь, что дренажный шланг не забит и работает исправно. Засорение может привести к образованию воды на полу автомобиля.
- Профессиональная проверка: Каждый год рекомендуется проводить полное обслуживание у специалиста, который выполнит диагностику и устранит потенциальные проблемы.
Следуя этим советам, вы сможете обеспечить надежную работу кондиционера и комфортное температурное окружение в вашем Nissan Almera G15.
Выбор профессиональной монтажной компании
Также важно удостовериться, что компания имеет все необходимые лицензии и сертификаты. Это гарантирует соблюдение норм и стандартов при установке. Не забывайте проверить, предлагает ли организация гарантию на проделанные работы и оборудование.
Личные встречи с представителями компаний помогут вам оценить их профессионализм и уровень обслуживания. Задавайте вопросы о используемом оборудовании, процессе установки и возможных дополнительных расходах.
Кроме того, обратите внимание на наличие службы поддержки, которая сможет оперативно решить проблемы, если они возникнут в будущем. Выбор надежной монтажной компании обеспечит вам долгосрочную и бесперебойную работу кондиционера.
Безопасность при выполнении работ
При выполнении работ по подключению кондиционера Nissan Almera G15 следует соблюдать ряд мер безопасности, чтобы избежать травм и повреждений оборудования. Во-первых, необходимо отключить аккумулятор автомобиля для предотвращения коротких замыканий и случайного включения электрических систем во время работы.
Используйте защитные перчатки и очки, чтобы избежать контакта с химическими веществами, такими как фреон. Работать следует в хорошо вентилируемом помещении или на открытом воздухе, чтобы минимизировать риск воздействия вредных паров.
Проверьте состояние электрических соединений и проводов перед началом работ. Изношенные или поврежденные кабели могут привести к аварийной ситуации. При работе с инструментами соблюдайте правила техники безопасности, избегая резких движений и воздействия сил, превышающих физические возможности.
Убедитесь, что все используемые инструменты находятся в исправном состоянии. Ломкие или поврежденные инструменты могут причинить травмы или испортить детали кондиционера. Во время работы избегайте употребления алкоголя и отвлечений, чтобы сосредоточиться на процессе.
После завершения установки проверьте все соединения и надежность креплений. Убедитесь, что система работает корректно, прежде чем запускать двигатель автомобиля. Соблюдение этих простых правил поможет избежать неприятных инцидентов и обеспечит успешное подключение кондиционера.