Распиновка переключателя поворотов уаз хантер

Для правильной работы устройства управления сигналами обязательно следуйте следующей последовательности. На расположенном в автомобиле разъеме найдите пины, отвечающие за левый и правый поворот, а также за освещение габаритов. Обычно это стандартные контакты, которые можно легко идентифицировать с помощью электрической схемы.

Начните с проверки мультиметром всех контактов на наличие напряжения, чтобы выявить функционирующие компоненты. Питание, как правило, приходит на основной пин, откуда распределяется на остальные. После проверки, проведите соединение декоративного устройства, в соответствии с приведенной схемой.

Существенное внимание уделите тому, как соединяются провода. Каждый цветовой код несет определенную функцию. Например, красный обычно отвечает за плюс, а черный – за минус. Убедитесь, что все соединения надежные, чтобы обеспечить бесперебойную работу системы. После завершения подключения, протестируйте все режимы: сигналы и габариты должны работать без сбоев.

Обзор конструкции переключателя поворотов УАЗ Хантер

Конструкция устройства представляет собой компактный механизм, обеспечивающий управление сигналами поворота и другими функциями освещения. Элементы устройства выполняются из прочных материалов, что обеспечивает долгий срок службы даже в условиях повышенной нагрузки.

  • Контакты: Внутри модуля находятся контакты, которые отвечают за замыкание электрических цепей. Обратите внимание на их состояние при диагностике, износ может привести к сбоям в работе.
  • Рычаг управления: Используется для активации сигналов. Его конструкция позволяет легко переключать режимы, а также фиксировать их в нужной позиции.
  • Необходимая проводка: Каждая функция требует соответствующего соединения. Правильное подключение облегчает диагностику и ремонт.

При разборке устройства стоит соблюдать осторожность. Рекомендуется использовать только качественные инструменты для предотвращения повреждения деталей. Важным аспектом является регулярная проверка механизма на предмет загрязнений и износа.

  1. Перед снятием обзору следует отключить аккумулятор.
  2. Осторожно извлеките корпус, чтобы не повредить крепления.
  3. Проверьте состояние внутренних компонентов и проводки.

С учетом специфики эксплуатации, регулярное обслуживание позволит избежать множества проблем. Используйте только оригинальные или высококачественные запчасти при необходимости замены. Это поможет поддерживать надежность системы на должном уровне и минимизирует риски неисправностей в будущем.

Инструменты для работы с переключателем

Для выполнения работы потребуется минимум из следующих предметов. Набор отверток с головками различных типов (плоские и крестообразные) обеспечит доступ ко всем необходимым креплениям.

Плоскогубцы помогут аккуратно манипулировать проводами, особенно при отсоединении или присоединении различных элементов. Обратите внимание на наличие изолированного инструмента, чтобы избежать случайных коротких замыканий.

Мультиметр будет необходим для проверки напряжения и целостности цепей. С его помощью можно быстро выявить возможные повреждения или неправильное соединение.

Если потребуется замена проводов, термоусадки и штекеры различных размеров идеально подойдут для восстановления или модификации электрической схемы. Также стоит иметь под рукой паяльник с тонким жалом для надежного соединения проводов.

Читайте также:  Распиновка ЦПС Газель 3302 до бизнес модели

Разводной ключ поможет справиться с крепежными элементами, которые могут быть затянуты слишком сильно, и упростит демонтаж. Нежная работа требует аккуратности, поэтому используйте защитные очки и перчатки, чтобы избежать травм.

Определение неисправностей устройства

Для выявления неисправностей в данном механизме проведите тестирование его электрических соединений. Проверьте целостность проводов и наличие коротких замыканий. Используйте мультиметр для измерения напряжения на выходах. Если значения выходят за допустимые пределы, возможно, проблема кроется в внутренних контактах.

Обратите внимание на механическую часть. Если возникает затруднение при переключении, причиной может быть износ или загрязнение элементов. Очистка и смазка подвижных частей могут восстановить их работоспособность.

Лампочка индикатора также может указывать на неисправности. Если она не загорается, проверьте саму лампу и её соединения. Если лампа исправна, проблема может быть в электронике управления.

Тестирование функциональности можно провести, подключив внешний источник питания, чтобы исключить влияние системы автомобиля на работу устройства. Внешний источник позволит точно определить, работает ли механизм корректно или имеет внутренние повреждения.

Если все вышеперечисленные проверки не выявили неисправностей, стоит обратиться к схеме устройства для анализа потенциальных проблем на уровне электроники.

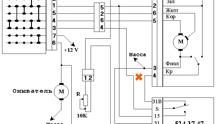
Схема подключения управляющего устройства

Контакт 1: Качество подачи питания на освещение, используется для подключения к кнопке габаритов.

Контакт 2: Сигнал поворота: соответствует левой стороне и соединяется с соответствующей лампой.

Контакт 4: Подача питания на указатели поворота, связывается с аккумуляторной батареей.

Контакт 5: Сигнал поворота в комбинации с задними фарами.

Контакт 6: Функция противотуманных огней, отдельное подключение.

Контакт 7: Общее заземление, требуется для стабилизации работы устройства.

Контакт 8: Отдельная линия для запуска сигнализации.

Контакт 9: Индикация поворотника на приборной панели, обеспечивает визуальную подсказку.

Контакт 10: Другая линия подключения, используется для дублирования сигналов.

Контакт 12: Установка дополнительного устройства, например, звуковой сигнал для предупреждения.

Для корректной работы всего оборудования, необходимо тщательно следить за состоянием соединений и проводов. Неправильное подключение может привести к сбоям в работе.

Подключение проводов: цветовая кодировка

При установке соединений важно точно следовать цветовой кодировке проводов для обеспечения корректной работы устройства. В данном случае используются следующие цвета:

1. Черный – масса. Этот провод обязательно подсоединяется к общему минусу системы.

2. Желтый – питание для указателей поворота. Соедините его с источником электропитания, чтобы обеспечить функционирование сигналов.

Читайте также:  Распиновка босс мини а2 4/64 для удобства подключения

3. Зеленый – левый указатель. Подключите его к соответствующему выходу системы.

4. Коричневый – правый указатель. Так же, как и зеленый, подсоедините его к выходу для активации правого сигнала.

5. Серый – дополнительный функционал, например, для сигнализации об оборотах. Его подключение зависит от конкретной комплектации.

Точное соблюдение данной цветовой кодировки минимизирует риск неправильных соединений и позволяет избежать серьезных повреждений электросистемы. Рекомендуется использовать специальный изолента для защиты открытых соединений.

Советы по замене устройства

Перед заменой устройства обязательно отключите аккумулятор, чтобы избежать короткого замыкания. Придерживайтесь следующего порядка действий:

  1. Снимите обшивку рулевой колонки. Это обеспечит удобный доступ к узлу.
  2. Отсоедините все соединения, следя за их расположением. Это позволит избежать путаницы при установке нового устройства.
  3. Используйте ключи подходящего размера, чтобы избежать повреждения крепежных элементов.

При установке нового устройства соблюдайте следующие рекомендации:

  • Следите за корректным использованием проводов, не перепутайте их цветовые обозначения.
  • Проверяйте исправность всех элементов сразу после установки, не дожидаясь полной сборки.
  • Не затягивайте болты слишком сильно, чтобы не повредить корпус.

После завершения работ включите аккумулятор и протестируйте оборудование. Убедитесь, что все функции работают корректно перед установкой обшивки обратно.

Проверка работоспособности после установки

После завершения монтажа электромеханического устройства, необходимо тщательно проверить его функциональность. Для этого выполните следующие шаги:

  1. Подключите аккумулятор и убедитесь, что все соединения надежно затянуты.
  2. Проверьте наличие питания на входных контактах устройства с помощью мультиметра. Напряжение должно составлять примерно 12 В.
  3. Убедитесь в правильности подключения по цветам проводов. Сравните с ранее созданной схемой подключения.
  4. Активируйте сигнализацию, а затем проверьте работу функций переключения режимов, в том числе указателей поворота и звукового сигнала.

При отсутствии работы, проверьте следующие моменты:

  • Отключите устройство и заново проведите осмотр всех соединений. Убедитесь, что нет обрывов или плохих контактов.
  • Проверьте предохранитель, отвечающий за данный компонент. Замените при необходимости.
  • Используйте мультиметр для проверки целостности проводов от устройства до блока управления.

Если все шаги выполнены верно, а устройство продолжает работать некорректно, возможно, потребуется замена неисправного компонента. Зафиксируйте все промежуточные результаты диагностики для упрощения дальнейших действий.

Шаг Действие Проверка
1 Подключение аккумулятора Наличие напряжения 12 В
2 Проверка подключения Сравнение с схемой
3 Тестирование функций Работа указателей и звукового сигнала
4 Диагностика проводки Целостность и отсутствие повреждений

Регулярная проверка и обслуживание системы обеспечивают надежную работу в любых условиях эксплуатации. Следуйте представленным рекомендациям и устраняйте возможные неисправности на ранних стадиях.

Устранение распространенных ошибок при подключении

Проверьте правильность подключения проводов по цветовой кодировке. Часто встречаются расхождения между схемой и фактическими подключениями. Убедитесь, что каждый провод соединен с соответствующей клеммой. Использование многожильного проводника может привести к короткому замыканию; предпочтительнее применять провода с одножильной конструкцией.

Читайте также:  3х уровневый переключатель фар ваз 2107 распиновка

Обратите внимание на неподключенные или плохо закрепленные контакты. Неполные соединения могут вызвать сбои в работе. Проверьте, чтобы все элементы были надежно зафиксированы и не имели свободного хода.

Удалите окисления и загрязнения на контактах. Окисленные соединения ухудшают проводимость и могут привести к нестабильности работы. Используйте специальную очистку для электрических соединений.

Контролируйте целостность изоляции проводов. Поврежденные участки могут создавать случайные контакты и перепады напряжения. Замените или изолируйте поврежденные участки, чтобы избежать проблем.

Если сигнал не срабатывает, проверьте предохранители. Испорченные элементы в электрической системе могут препятствовать нормальному функционированию. Замените перегоревшие предохранители, если это необходимо.

Убедитесь, что устройство не имеет механических повреждений. Часто проблемы возникают из-за физических дефектов, таких как трещины или сломы. Проверьте корпус и внутренние элементы на наличие подобных повреждений.

Внимательно отнеситесь к тестированию системы после замены. Запустите машину и проверьте работу всех функций. Необходимо убедиться, что устройство функционирует корректно во всех режимах.

Подбор аналогов для автомобиля

Для замены устройства управления сигналами на вашем автомобиле можно использовать элементы от других моделей. Похожими альтернативами могут быть запчасти от старых моделей «Волги», «Москвича» или «Лады». При выборе стоит обратить внимание на механизмы, которые имеют схожие размеры и функциональные возможности.

Важно учитывать, что при установке аналогов потребуется произвести доработку подключения проводов, так как расцветка может отличаться. Наличие схемы подключения позволит избежать ошибок и упростить процесс. Перед заменой стоит тщательно сравнить характеристики, чтобы обеспечить необходимую надежность.

Рекомендуется также ознакомиться с отзывами автовладельцев, которые уже установили альтернативные устройства. Это поможет получить представление о качестве и долговечности. При ремонте можно обратиться в специализированные магазины, которые предлагают запчасти от различных производителей, что расширяет выбор.

При использовании аналогичных моделей не забывайте проверять совместимость и возможные доработки. Это обеспечит надежную эксплуатацию вашего транспортного средства в будущем.

Понравилась статья? Поделиться с друзьями:
error: Content is protected !!